
對夾蝶閥
閥門首頁 > 產品展示 > 蝶閥 > 對夾蝶閥 > 






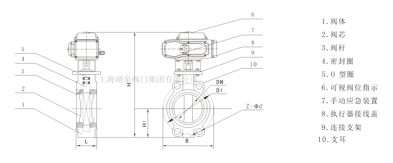
| 電動執行器技術參數 | D971X電動不銹鋼蝶閥閥體參數 | ||
| 電 源 | AC110、220、380V/DC24、220V | 公稱通徑 | DN50~500mm |
| 輸出力矩 | 50N·M~2000N·M | 公稱壓力 | PN1.0、1.6MPa |
| 任選功能 | 開關型、觸點型、開度信號、智能型 | 閥軸材質 | 304/316/316L不銹鋼 |
| 動作范圍 | 0~90°(±5°) | 閥體材質 | 304/316/316L不銹鋼 |
| 動作時間 | 15秒 / 30秒 / 60秒 | 閥板材質 | 304/316/316L不銹鋼 、尼龍 |
| 環境溫度 | -30℃~+60℃ | 閥座密封 | EPDM、NBR、耐磨橡膠 |
| 手動操作 | 附帶手柄操作 | 結構形式 | 中線型、無銷型 |
| 限 位 | 電氣、機械二重限位 | 溫 度 | EPDM≤80℃、NBR≤68℃ |
| 防護等級 | IP-67(防爆外殼:Exd Ⅱ BT4 IP67可選) | 適用介質 | 水、空氣、天然氣 |
| 輸入信號 | 0-10,1-5VDC / 4-20mA(智能型) | 特 點 | 用途廣、整體造價低、流量大、流阻小 |
| 公稱通徑DN | A | B | C | D | E | 額定功率 | 額定電流 |
| 壓力 | 1.0/1.6 | 1.0/1.6 | 1.0/1.6 | 1.0/1.6 | 1.0/1.6 | ||
| 40 | 155 | 349 | 57 | 104 | 32 | 15W | 0.2A |
| 50 | 155 | 353 | 62 | 104 | 43 | 15W | 0.2A |
| 65 | 155 | 362 | 70 | 104 | 46 | 15W | 0.2A |
| 80 | 155 | 368 | 89 | 104 | 46 | 15W | 0.2A |
| 100 | 208 | 392 | 106 | 115 | 52 | 25W | 0.5A |
| 125 | 208 | 407 | 120 | 115 | 56 | 25W | 0.5A |
| 150 | 208 | 446 | 132 | 115 | 56 | 25W | 0.5A |
| 200 | 256 | 489 | 164 | 127 | 60 | 50W | 0.8A |
| 250 | 256 | 514 | 200 | 127 | 68 | 50W | 0.8A |
| 300 | 256 | 568 | 238 | 127 | 78 | 90W | 1.0A |
| 350 | 288 | 629 | 280 | 164 | 78 | 120W | 1.2A |
| 400 | 288 | 662 | 302 | 164 | 102 | 120W | 1.2A |
| 450 | 288 | 693 | 335 | 164 | 114 | 150W | 1.2A |
| 500 | 288 | 729 | 360 | 164 | 127 | 150W | 1.2A |

上一篇:D971X-16p dn150 耐磨不銹鋼電動對夾蝶閥 / 下一篇:對夾式電動蝶閥dn50